100O.D./105O.D./112O.D.
مودار موتور
100/105/112 ملم
1.25-7.21 كيلو واط
0-11 نيوتن متر
0-800 فولت
نحاس نقي 100%
2
حوالي 30 يوما
| التوفر: | |
|---|---|
تم تصميم الجزء الثابت والدوار المركز للملف 100-112 مم للضاغط الكهربائي عالي الطاقة ومحركات المضخة.
مع القطر الخارجي الأكبر والقدرة الكهرومغناطيسية العالية، تدعم هذه المنصة التشغيل الثقيل وإنتاج عزم دوران مستمر أعلى.
يتم تصميمه عادةً حول الأنظمة الكهربائية بجهد 400 فولت وهو مناسب للتطبيقات الصناعية وتطبيقات السيارات الصعبة.

تصميم لف مركز بقطر كبير
عزم دوران عالي وقدرة على الطاقة
الأمثل للتشغيل المستمر عالي التحميل
مناسبة لأنظمة محرك الضاغط والمضخة
مصممة للمنصات الكهربائية 400 فولت
تم تصميم الجزء الثابت والدوار المركز للملف 100-112 مم للضاغط الكهربائي عالي الطاقة ومحركات المضخة.
مع القطر الخارجي الأكبر والقدرة الكهرومغناطيسية العالية، تدعم هذه المنصة التشغيل الثقيل وإنتاج عزم دوران مستمر أعلى.
يتم تصميمه عادةً حول الأنظمة الكهربائية بجهد 400 فولت وهو مناسب للتطبيقات الصناعية وتطبيقات السيارات الصعبة.

تصميم لف مركز بقطر كبير
عزم دوران عالي وقدرة على الطاقة
الأمثل للتشغيل المستمر عالي التحميل
مناسبة لأنظمة محرك الضاغط والمضخة
مصممة للمنصات الكهربائية 400 فولت
الجزء الثابت والدوار للملف المركّز مقاس 100-112 مم تم تصميم للأنظمة عالية السعة التي تتطلب خرج عزم دوران قويًا وأداء حراريًا موثوقًا.
في تطبيقات الضواغط الكهربائية، يتم استخدامه في الضواغط ذات السعة العالية التي تعمل تحت ظروف الحمل المستمر أو الثقيل. يعمل القطر الأكبر على تحسين توليد عزم الدوران واستقرار النظام.
في تطبيقات محركات المضخات، تدعم هذه المنصة مضخات المياه الكبيرة ومضخات الزيت ذات متطلبات الإزاحة الأعلى. يمكن تحديد نطاق CC المطبق بناءً على متطلبات تدفق النظام والضغط.
ضواغط كهربائية ذات قدرة عالية
أنظمة محركات الضاغط الصناعي
محركات ضخ المياه الكبيرة
محركات ضخ الزيت ذات التحميل العالي
تطبيقات الضخ الصناعي للخدمة المستمرة
يتم تطبيقه على نطاق واسع في الأنظمة التي تتطلب قدرة عزم دوران أعلى وأداء حراري قوي.
الجزء الثابت والدوار للملف المركّز مقاس 100-112 مم تم تصميم للأنظمة عالية السعة التي تتطلب خرج عزم دوران قويًا وأداء حراريًا موثوقًا.
في تطبيقات الضواغط الكهربائية، يتم استخدامه في الضواغط ذات السعة العالية التي تعمل تحت ظروف الحمل المستمر أو الثقيل. يعمل القطر الأكبر على تحسين توليد عزم الدوران واستقرار النظام.
في تطبيقات محركات المضخات، تدعم هذه المنصة مضخات المياه الكبيرة ومضخات الزيت ذات متطلبات الإزاحة الأعلى. يمكن تحديد نطاق CC المطبق بناءً على متطلبات تدفق النظام والضغط.
ضواغط كهربائية ذات قدرة عالية
أنظمة محركات الضاغط الصناعي
محركات ضخ المياه الكبيرة
محركات ضخ الزيت ذات التحميل العالي
تطبيقات الضخ الصناعي للخدمة المستمرة
يتم تطبيقه على نطاق واسع في الأنظمة التي تتطلب قدرة عزم دوران أعلى وأداء حراري قوي.
تنطبق البيانات الفنية التالية على الجزء الثابت والدوار للملف المركز مقاس 100-112 مم سلسلة .
خيارات الجهد المقنن: 0-800 فولت.
السرعة المقدرة: 0-12000 دورة في الدقيقة (حسب الطلب)
عزم الدوران المقدر: 0-15N.m (حسب الطلب)
نطاق طاقة الإخراج: 3.25-9.45 كيلو واط (حسب الطلب)
نطاق إزاحة المضخة المتكيفة: 18-66CC
100/105/112 مللي متر القطر الخارجي للجزء الثابت
35/50/31 مللي متر القطر الخارجي للدوار
ميزان الوزن اختياري
يمكن إضافة رمح وcutomized
| معلمات النموذج القياسي | |||||||||||||||||||||||||||||||||||||||||||||||||||||||||||||||||||||||
| نموذج | تصنيف قوة |
تصنيف الجهد االكهربى |
تصنيف حاضِر |
تصنيف عزم الدوران |
السرعة المقدرة | كفاءة | الكثافة الحالية | الحمل الحراري | |||||||||||||||||||||||||||||||||||||||||||||||||||||||||||||||
| 100-30 | 3.25 كيلو واط | 320 فولت | 12 الأسلحة | 5.2 نيوتن متر | 6000 دورة في الدقيقة | 91.80% | 16 أمبير/مم⊃2؛ | 804 ج | |||||||||||||||||||||||||||||||||||||||||||||||||||||||||||||||
| 100-35 | 4.50 كيلو واط | 350 فولت | 11 الأسلحة | 5.4 نيوتن متر | 8000 دورة في الدقيقة | 92.90% | 18 أمبير/مم⊃2؛ | 612 ج | |||||||||||||||||||||||||||||||||||||||||||||||||||||||||||||||
| 100-40 | 6.05 كيلو واط | 400 فولت | 16 الأسلحة | 7.2 نيوتن متر | 8000 دورة في الدقيقة | 93.10% | 20 أمبير/مم⊃2؛ | 916 ج | |||||||||||||||||||||||||||||||||||||||||||||||||||||||||||||||
| 100-45 | 7.21 كيلو واط | 600 فولت | 15 الأسلحة | 8.5 نيوتن متر | 8000 دورة في الدقيقة | 94.20% | 22 أمبير/مم⊃2؛ | 982ج | |||||||||||||||||||||||||||||||||||||||||||||||||||||||||||||||
| 100-50 | 9.45 كيلو واط | 600 فولت | 18.6 الأسلحة | 15.0 نيوتن متر | 4000 دورة في الدقيقة | 94.80% | 25 أمبير/مم⊃2؛ | 1002ج | |||||||||||||||||||||||||||||||||||||||||||||||||||||||||||||||
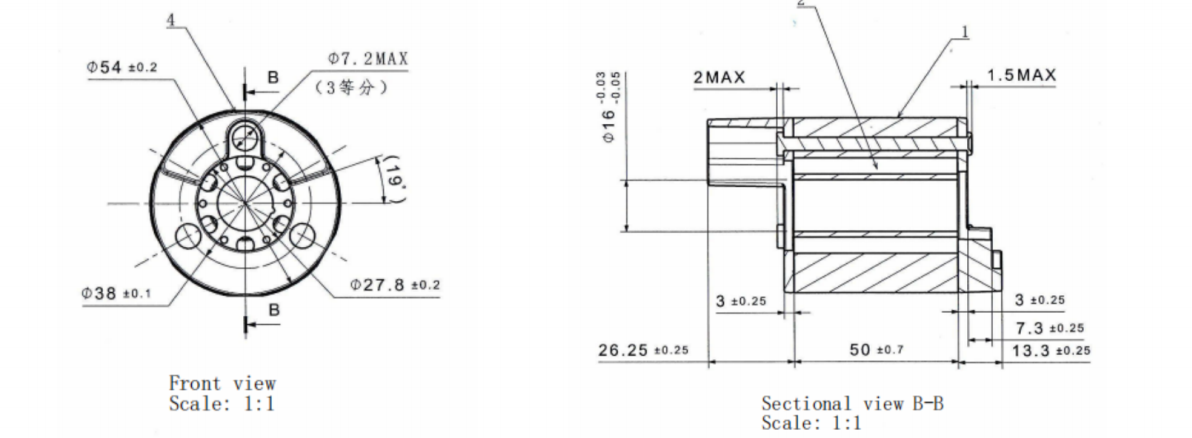
| 100O.D. رسم الجزء الثابت القياسي |
|
100O.D. رسم الدوار القياسي |
|
| معلمات النموذج القياسي | |||||||||||||||||||||||||||||||||||||||||||||||||||||||||||||||||||||||
| نموذج | تصنيف قوة |
تصنيف الجهد االكهربى |
تصنيف حاضِر |
تصنيف عزم الدوران |
السرعة المقدرة | كفاءة | الكثافة الحالية | الحمل الحراري | |||||||||||||||||||||||||||||||||||||||||||||||||||||||||||||||
| 105-30 | 3.25 كيلو واط | 320 فولت | 12 الأسلحة | 5.2 نيوتن متر | 6000 دورة في الدقيقة | 90.80% | 16 أمبير/مم⊃2؛ | 824 ج | |||||||||||||||||||||||||||||||||||||||||||||||||||||||||||||||
| 105-35 | 4.50 كيلو واط | 350 فولت | 11 الأسلحة | 5.4 نيوتن متر | 8000 دورة في الدقيقة | 91.90% | 18 أمبير/مم⊃2؛ | 622ج | |||||||||||||||||||||||||||||||||||||||||||||||||||||||||||||||
| 105-40 | 6.05 كيلو واط | 400 فولت | 16 الأسلحة | 7.2 نيوتن متر | 8000 دورة في الدقيقة | 92.10% | 20 أمبير/مم⊃2؛ | 936 ج | |||||||||||||||||||||||||||||||||||||||||||||||||||||||||||||||
| 105-45 | 7.21 كيلو واط | 600 فولت | 15 الأسلحة | 8.5 نيوتن متر | 8000 دورة في الدقيقة | 93.20% | 22 أمبير/مم⊃2؛ | 992ج | |||||||||||||||||||||||||||||||||||||||||||||||||||||||||||||||
| 105-50 | 9.45 كيلو واط | 600 فولت | 18.6 الأسلحة | 15.0 نيوتن متر | 4000 دورة في الدقيقة | 93.80% | 25 أمبير/مم⊃2؛ | 1092ج | |||||||||||||||||||||||||||||||||||||||||||||||||||||||||||||||
| 105O.D. رسم الجزء الثابت القياسي |
|
105O.D. رسم الدوار القياسي |
|
| معلمات النموذج القياسي | ||||||||||||||||||||||||||||||||||||||||||||||||||||||||||||||||||||||
| نموذج | تصنيف قوة |
تصنيف الجهد االكهربى |
تصنيف حاضِر |
تصنيف عزم الدوران |
السرعة المقدرة | كفاءة | الكثافة الحالية | الحمل الحراري | ||||||||||||||||||||||||||||||||||||||||||||||||||||||||||||||
| 112-27 | 3.25 كيلو واط | 320 فولت | 12 الأسلحة | 5.2 نيوتن متر | 6000 دورة في الدقيقة | 91.20% | 16 أمبير/مم⊃2؛ | 864 ج | ||||||||||||||||||||||||||||||||||||||||||||||||||||||||||||||
| 112-31 | 4.50 كيلو واط | 350 فولت | 11 الأسلحة | 5.4 نيوتن متر | 8000 دورة في الدقيقة | 91.40% | 18 أمبير/مم⊃2؛ | 682ج | ||||||||||||||||||||||||||||||||||||||||||||||||||||||||||||||
| 112-35 | 6.05 كيلو واط | 400 فولت | 16 الأسلحة | 7.2 نيوتن متر | 8000 دورة في الدقيقة | 92.21% | 20 أمبير/مم⊃2؛ | 986 ج | ||||||||||||||||||||||||||||||||||||||||||||||||||||||||||||||
| 112-40 | 7.21 كيلو واط | 600 فولت | 15 الأسلحة | 8.5 نيوتن متر | 8000 دورة في الدقيقة | 93.19% | 22 أمبير/مم⊃2؛ | 1102ج | ||||||||||||||||||||||||||||||||||||||||||||||||||||||||||||||
| 112-55 | 9.45 كيلو واط | 600 فولت | 18.6 الأسلحة | 15.0 نيوتن متر | 4000 دورة في الدقيقة | 93.21% | 25 أمبير/مم⊃2؛ | 1182ج | ||||||||||||||||||||||||||||||||||||||||||||||||||||||||||||||
| 112O.D. رسم الجزء الثابت القياسي |
|
112O.D. رسم الدوار القياسي |
|
تنطبق البيانات الفنية التالية على الجزء الثابت والدوار للملف المركز مقاس 100-112 مم سلسلة .
خيارات الجهد المقنن: 0-800 فولت.
السرعة المقدرة: 0-12000 دورة في الدقيقة (حسب الطلب)
عزم الدوران المقدر: 0-15N.m (حسب الطلب)
نطاق طاقة الإخراج: 3.25-9.45 كيلو واط (حسب الطلب)
نطاق إزاحة المضخة المتكيفة: 18-66CC
100/105/112 مللي متر القطر الخارجي للجزء الثابت
35/50/31 مللي متر القطر الخارجي للدوار
ميزان الوزن اختياري
يمكن إضافة رمح وcutomized
| معلمات النموذج القياسي | |||||||||||||||||||||||||||||||||||||||||||||||||||||||||||||||||||||||
| نموذج | تصنيف قوة |
تصنيف الجهد االكهربى |
تصنيف حاضِر |
تصنيف عزم الدوران |
السرعة المقدرة | كفاءة | الكثافة الحالية | الحمل الحراري | |||||||||||||||||||||||||||||||||||||||||||||||||||||||||||||||
| 100-30 | 3.25 كيلو واط | 320 فولت | 12 الأسلحة | 5.2 نيوتن متر | 6000 دورة في الدقيقة | 91.80% | 16 أمبير/مم⊃2؛ | 804 ج | |||||||||||||||||||||||||||||||||||||||||||||||||||||||||||||||
| 100-35 | 4.50 كيلو واط | 350 فولت | 11 الأسلحة | 5.4 نيوتن متر | 8000 دورة في الدقيقة | 92.90% | 18 أمبير/مم⊃2؛ | 612 ج | |||||||||||||||||||||||||||||||||||||||||||||||||||||||||||||||
| 100-40 | 6.05 كيلو واط | 400 فولت | 16 الأسلحة | 7.2 نيوتن متر | 8000 دورة في الدقيقة | 93.10% | 20 أمبير/مم⊃2؛ | 916 ج | |||||||||||||||||||||||||||||||||||||||||||||||||||||||||||||||
| 100-45 | 7.21 كيلو واط | 600 فولت | 15 الأسلحة | 8.5 نيوتن متر | 8000 دورة في الدقيقة | 94.20% | 22 أمبير/مم⊃2؛ | 982ج | |||||||||||||||||||||||||||||||||||||||||||||||||||||||||||||||
| 100-50 | 9.45 كيلو واط | 600 فولت | 18.6 الأسلحة | 15.0 نيوتن متر | 4000 دورة في الدقيقة | 94.80% | 25 أمبير/مم⊃2؛ | 1002ج | |||||||||||||||||||||||||||||||||||||||||||||||||||||||||||||||
| 100O.D. رسم الجزء الثابت القياسي |
|
100O.D. رسم الدوار القياسي |
|
| معلمات النموذج القياسي | |||||||||||||||||||||||||||||||||||||||||||||||||||||||||||||||||||||||
| نموذج | تصنيف قوة |
تصنيف الجهد االكهربى |
تصنيف حاضِر |
تصنيف عزم الدوران |
السرعة المقدرة | كفاءة | الكثافة الحالية | الحمل الحراري | |||||||||||||||||||||||||||||||||||||||||||||||||||||||||||||||
| 105-30 | 3.25 كيلو واط | 320 فولت | 12 الأسلحة | 5.2 نيوتن متر | 6000 دورة في الدقيقة | 90.80% | 16 أمبير/مم⊃2؛ | 824 ج | |||||||||||||||||||||||||||||||||||||||||||||||||||||||||||||||
| 105-35 | 4.50 كيلو واط | 350 فولت | 11 الأسلحة | 5.4 نيوتن متر | 8000 دورة في الدقيقة | 91.90% | 18 أمبير/مم⊃2؛ | 622ج | |||||||||||||||||||||||||||||||||||||||||||||||||||||||||||||||
| 105-40 | 6.05 كيلو واط | 400 فولت | 16 الأسلحة | 7.2 نيوتن متر | 8000 دورة في الدقيقة | 92.10% | 20 أمبير/مم⊃2؛ | 936 ج | |||||||||||||||||||||||||||||||||||||||||||||||||||||||||||||||
| 105-45 | 7.21 كيلو واط | 600 فولت | 15 الأسلحة | 8.5 نيوتن متر | 8000 دورة في الدقيقة | 93.20% | 22 أمبير/مم⊃2؛ | 992ج | |||||||||||||||||||||||||||||||||||||||||||||||||||||||||||||||
| 105-50 | 9.45 كيلو واط | 600 فولت | 18.6 الأسلحة | 15.0 نيوتن متر | 4000 دورة في الدقيقة | 93.80% | 25 أمبير/مم⊃2؛ | 1092ج | |||||||||||||||||||||||||||||||||||||||||||||||||||||||||||||||
| 105O.D. رسم الجزء الثابت القياسي |
|
105O.D. رسم الدوار القياسي |
|
| معلمات النموذج القياسي | ||||||||||||||||||||||||||||||||||||||||||||||||||||||||||||||||||||||
| نموذج | تصنيف قوة |
تصنيف الجهد االكهربى |
تصنيف حاضِر |
تصنيف عزم الدوران |
السرعة المقدرة | كفاءة | الكثافة الحالية | الحمل الحراري | ||||||||||||||||||||||||||||||||||||||||||||||||||||||||||||||
| 112-27 | 3.25 كيلو واط | 320 فولت | 12 الأسلحة | 5.2 نيوتن متر | 6000 دورة في الدقيقة | 91.20% | 16 أمبير/مم⊃2؛ | 864 ج | ||||||||||||||||||||||||||||||||||||||||||||||||||||||||||||||
| 112-31 | 4.50 كيلو واط | 350 فولت | 11 الأسلحة | 5.4 نيوتن متر | 8000 دورة في الدقيقة | 91.40% | 18 أمبير/مم⊃2؛ | 682ج | ||||||||||||||||||||||||||||||||||||||||||||||||||||||||||||||
| 112-35 | 6.05 كيلو واط | 400 فولت | 16 الأسلحة | 7.2 نيوتن متر | 8000 دورة في الدقيقة | 92.21% | 20 أمبير/مم⊃2؛ | 986 ج | ||||||||||||||||||||||||||||||||||||||||||||||||||||||||||||||
| 112-40 | 7.21 كيلو واط | 600 فولت | 15 الأسلحة | 8.5 نيوتن متر | 8000 دورة في الدقيقة | 93.19% | 22 أمبير/مم⊃2؛ | 1102ج | ||||||||||||||||||||||||||||||||||||||||||||||||||||||||||||||
| 112-55 | 9.45 كيلو واط | 600 فولت | 18.6 الأسلحة | 15.0 نيوتن متر | 4000 دورة في الدقيقة | 93.21% | 25 أمبير/مم⊃2؛ | 1182ج | ||||||||||||||||||||||||||||||||||||||||||||||||||||||||||||||
| 112O.D. رسم الجزء الثابت القياسي |
|
112O.D. رسم الدوار القياسي |
|
يتشارك الجزء الثابت والدوار للملف المركّز مقاس 94-98 مم في نفس التصميم الكهربائي ونطاق التطبيق، مما يجعل الصفحة المدمجة أكثر وضوحًا وأكثر كفاءة.
نعم، تم تصميم الجزء الثابت والدوار للملف المركّز مقاس 94-98 مم لتطبيقات الضاغط الكهربائي متوسطة الطاقة.
نعم، الجزء الثابت والدوار للملف المركّز مقاس 94-98 مم مناسبان لتصميمات محركات مضخة الماء والزيت.
عادة منصات 0-800V.
نعم، تعتمد إمكانية تطبيق 16-50CC على تصميم المحرك ويمكن تخصيصها.
نعم، تم تصميم الجزء الثابت والدوار للملف المركّز مقاس 94-98 مم لإنتاج سلسلة مستقرة.
يتشارك الجزء الثابت والدوار للملف المركّز مقاس 94-98 مم في نفس التصميم الكهربائي ونطاق التطبيق، مما يجعل الصفحة المدمجة أكثر وضوحًا وأكثر كفاءة.
نعم، تم تصميم الجزء الثابت والدوار للملف المركّز مقاس 94-98 مم لتطبيقات الضاغط الكهربائي متوسطة الطاقة.
نعم، الجزء الثابت والدوار للملف المركّز مقاس 94-98 مم مناسبان لتصميمات محركات مضخة الماء والزيت.
عادة منصات 0-800V.
نعم، تعتمد إمكانية تطبيق 16-50CC على تصميم المحرك ويمكن تخصيصها.
نعم، تم تصميم الجزء الثابت والدوار للملف المركّز مقاس 94-98 مم لإنتاج سلسلة مستقرة.
المحتوى فارغ!
معلومات عنا
الروابط
اتصل بنا