| Kullanılabilirlik: | |
|---|---|
YSK110 AC fan motoru, güvenilir tork ve sabit dönüş hızının gerekli olduğu kompakt mekanik ekipmanlar için tasarlanmıştır. Daha küçük kaplama alanı, verimli mekanik performansı korurken, alanı kısıtlı sistemlerde kolay kurulum sağlar.
YSK110 AC fan motoru, dengeli başlangıç torku ve termal dayanıklılığı nedeniyle kompresörlerde ve pompalama uygulamalarında yaygın olarak kullanılmaktadır.
Kompakt mekanik tasarım
İyi başlangıç torku performansı
Yük altında sabit hız
Dayanıklı rulman sistemi
Uygun maliyetli endüstriyel çözüm
Optimize edilmiş manyetik devre
Verimli kapasitör başlatma/çalıştırma yapısı
Isıya dayanıklı sarma sistemi
Uzun mekanik ömür
YSK110 AC fan motoru, orta yük koşullarında kararlı mekanik çıkış gerektiren kompakt hava kompresörü sistemlerinde sıklıkla kullanılır. Optimize edilmiş başlatma torku, tekrarlanan çalışma döngüleri sırasında termal stabiliteyi korurken başlatma sırasında güvenilir basınç oluşumunu sağlar.
Konut ve hafif endüstriyel pompa uygulamalarında YSK110 AC fan motoru , su sirkülasyonu için güvenilir dönüş gücü sağlar. Motor, sulama sistemleri, su takviye sistemleri ve basınç kontrol ekipmanı dahil olmak üzere sıvı transfer sistemlerinde sürekli çalışmayı destekler.
YSK110 AC fan motoru, hayvancılık tesislerindeki yem makineleri, tahıl taşıma ekipmanları ve havalandırma sistemleri gibi küçük tarımsal tahrik sistemleri için uygundur. Kompakt tasarımı, taşınabilir veya yarı mobil tarım ekipmanlarına esnek entegrasyon sağlar.
YSK110 AC fan motoru, tekdüze mekanik çalışma için sabit hız ve tutarlı tork çıkışının gerekli olduğu gıda üretim hatlarındaki mikser tahriklerinde, konveyör sistemlerinde ve paketleme makinelerinde uygulanabilir.
| Parametre | Menzil |
| Motorlu Tip | Tek Fazlı Kondansatör Çalıştırma |
| Çerçeve Boyutu | 110mm |
| Sıklık | 50Hz / 60Hz |
| Gerilim | 220V / 110V / Özel |
| Güç Aralığı | 20W –100W |
| Hız | 900 – 2800 devir/dakika |
| Yalıtım Sınıfı | S/K |
| Görev Döngüsü | S1 Sürekli |
| Koruma | IP20–IP55 İsteğe Bağlı |
| Elektriksel Özellikleri YSK110 AC fan motorunun | ||||||||||||||||
| Modeli | Elektrik Derecelendirmesi | NOMİNAL YÜK | ||||||||||||||
| hız | Akım | Güç | Kapasitör | |||||||||||||
| Modeli | V/Hz | devir/dakika | A | K | uF | |||||||||||
| YSK110-50W-4 | 220V/50-60Hz | 1050/840/670 | 0.22 | 50 | 3 | |||||||||||
| YSK110-70W-4 | 220V/50-60Hz | 1050/840/670 | 0.32 | 70 | 3 | |||||||||||
| YSK110-90W-4 | 220V/50-60Hz | 1050/840/670 | 0.41 | 90 | 4 | |||||||||||
| YSK110-100W-4 | 220V/50-60Hz | 1050/840/670 | 0.45 | 100 | 4 | |||||||||||
| Notlar: Yukarıda belirtilen spesifikasyon temsili spesifikasyondur. Şartname ayrıca müşterilerin gereksinimlerine göre tasarlanabilir ve üretilebilir. İsteğe göre 100-120V,200-240V,50/60Hz ürünler de temin edilebilmektedir. | ||||||||||||||||
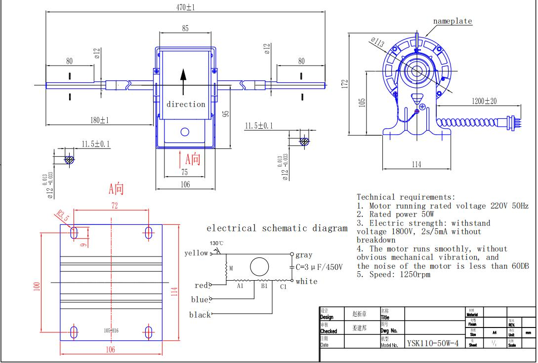
| YSK110 AC Fan Motorunun Çizimi |
![]() |
Evet YSK110 AC fan motoru kompresör sistemlerinde yaygın olarak kullanılmaktadır.
Evet, özelleştirme mevcuttur.
Tasarım gereksinimlere göre optimize edilebilir.
Evet.
Hava soğutmalı yapı.
Evet, istek üzerine mevcuttur.
Evet.
Güç, voltaj, rpm ve merkez yüksekliği, şaft çapı.
YSK110 AC fan motoru, güvenilir tork ve sabit dönüş hızının gerekli olduğu kompakt mekanik ekipmanlar için tasarlanmıştır. Daha küçük kaplama alanı, verimli mekanik performansı korurken, alanı kısıtlı sistemlerde kolay kurulum sağlar.
YSK110 AC fan motoru, dengeli başlangıç torku ve termal dayanıklılığı nedeniyle kompresörlerde ve pompalama uygulamalarında yaygın olarak kullanılmaktadır.
Kompakt mekanik tasarım
İyi başlangıç torku performansı
Yük altında sabit hız
Dayanıklı rulman sistemi
Uygun maliyetli endüstriyel çözüm
Optimize edilmiş manyetik devre
Verimli kapasitör başlatma/çalıştırma yapısı
Isıya dayanıklı sarma sistemi
Uzun mekanik ömür
YSK110 AC fan motoru, orta yük koşullarında kararlı mekanik çıkış gerektiren kompakt hava kompresörü sistemlerinde sıklıkla kullanılır. Optimize edilmiş başlatma torku, tekrarlanan çalışma döngüleri sırasında termal stabiliteyi korurken başlatma sırasında güvenilir basınç oluşumunu sağlar.
Konut ve hafif endüstriyel pompa uygulamalarında YSK110 AC fan motoru , su sirkülasyonu için güvenilir dönüş gücü sağlar. Motor, sulama sistemleri, su takviye sistemleri ve basınç kontrol ekipmanı dahil olmak üzere sıvı transfer sistemlerinde sürekli çalışmayı destekler.
YSK110 AC fan motoru, hayvancılık tesislerindeki yem makineleri, tahıl taşıma ekipmanları ve havalandırma sistemleri gibi küçük tarımsal tahrik sistemleri için uygundur. Kompakt tasarımı, taşınabilir veya yarı mobil tarım ekipmanlarına esnek entegrasyon sağlar.
YSK110 AC fan motoru, tekdüze mekanik çalışma için sabit hız ve tutarlı tork çıkışının gerekli olduğu gıda üretim hatlarındaki mikser tahriklerinde, konveyör sistemlerinde ve paketleme makinelerinde uygulanabilir.
| Parametre | Menzil |
| Motorlu Tip | Tek Fazlı Kondansatör Çalıştırma |
| Çerçeve Boyutu | 110mm |
| Sıklık | 50Hz / 60Hz |
| Gerilim | 220V / 110V / Özel |
| Güç Aralığı | 20W –100W |
| Hız | 900 – 2800 devir/dakika |
| Yalıtım Sınıfı | S/K |
| Görev Döngüsü | S1 Sürekli |
| Koruma | IP20–IP55 İsteğe Bağlı |
| Elektriksel Özellikleri YSK110 AC fan motorunun | ||||||||||||||||
| Modeli | Elektrik Derecelendirmesi | NOMİNAL YÜK | ||||||||||||||
| hız | Akım | Güç | Kapasitör | |||||||||||||
| Modeli | V/Hz | devir/dakika | A | K | uF | |||||||||||
| YSK110-50W-4 | 220V/50-60Hz | 1050/840/670 | 0.22 | 50 | 3 | |||||||||||
| YSK110-70W-4 | 220V/50-60Hz | 1050/840/670 | 0.32 | 70 | 3 | |||||||||||
| YSK110-90W-4 | 220V/50-60Hz | 1050/840/670 | 0.41 | 90 | 4 | |||||||||||
| YSK110-100W-4 | 220V/50-60Hz | 1050/840/670 | 0.45 | 100 | 4 | |||||||||||
| Notlar: Yukarıda belirtilen spesifikasyon temsili spesifikasyondur. Şartname ayrıca müşterilerin gereksinimlerine göre tasarlanabilir ve üretilebilir. İsteğe göre 100-120V,200-240V,50/60Hz ürünler de temin edilebilmektedir. | ||||||||||||||||
| YSK110 AC Fan Motorunun Çizimi |
![]() |
Evet YSK110 AC fan motoru kompresör sistemlerinde yaygın olarak kullanılmaktadır.
Evet, özelleştirme mevcuttur.
Tasarım gereksinimlere göre optimize edilebilir.
Evet.
Hava soğutmalı yapı.
Evet, istek üzerine mevcuttur.
Evet.
Güç, voltaj, rpm ve merkez yüksekliği, şaft çapı.
HAKKIMIZDA
BAĞLANTILAR
BİZE ULAŞIN